Last updated: 23 มิ.ย. 2568 | 742 จำนวนผู้เข้าชม |
Monitoring water quality หรือ การตรวจวัดคุณภาพน้ำ คือ กระบวนการตรวจสอบและประเมินคุณสมบัติต่าง ๆ ของน้ำ เพื่อให้แน่ใจว่าน้ำมีคุณภาพเหมาะสมต่อการใช้งาน ไม่ว่าจะเป็นการบริโภค อุปโภค การใช้ในอุตสาหกรรม การเกษตร หรือการรักษาสิ่งแวดล้อม
ขึ้นอยู่กับวัตถุประสงค์ แต่ตัวอย่างพารามิเตอร์ที่นิยม ได้แก่:
ระบบวิเคราะห์ออนไลน์ Type 8905 จะให้ค่าที่วัดได้ที่สําคัญทั้งหมดแก่คุณได้อย่างน่าเชื่อถือ และทําให้มั่นใจได้ถึงคุณภาพน้ำของคุณ

การตรวจสอบกระบวนการมีบทบาทสำคัญในการบำบัดน้ำ ไม่ว่าจะเป็นโรงบำบัดน้ำ บริษัทเภสัชกรรม หรือผู้ผลิตอาหารและเครื่องดื่ม จะต้องปฏิบัติตามกฎระเบียบที่เกี่ยวข้องเพื่อให้แน่ใจว่าน้ำมีคุณภาพสูงอยู่เสมอ เพื่อให้เป็นเช่นนั้น ผู้ปฏิบัติงานโรงงานหลายแห่งจึงตรวจสอบกระบวนการบำบัดอย่างต่อเนื่อง ระบบวิเคราะห์ออนไลน์ของ Bürkert ช่วยให้ภารกิจนี้ง่ายขึ้น คุณจึงมองเห็นน้ำและต้นทุนที่เกี่ยวข้องได้อย่างชัดเจนตลอดเวลา
![]()

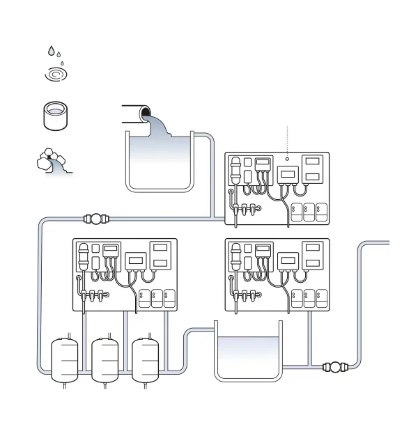
น้ำเป็นรากฐานของสิ่งมีชีวิตทุกชนิด และทรัพยากรที่สำคัญนี้บนโลกของเราก็กำลังขาดแคลนมากขึ้นเรื่อยๆ การให้ประชากรโลกที่มีจำนวนเพิ่มขึ้นเข้าถึงน้ำสะอาดนั้นกลายเป็นเรื่องยากขึ้นเรื่อยๆ หากต้องการจัดหาน้ำที่มีความบริสุทธิ์ในระดับหนึ่ง คุณจะต้องใช้เครื่องมือวัดสำหรับการวิเคราะห์พารามิเตอร์ทางกายภาพ เคมี และจุลชีววิทยาออนไลน์ที่เชื่อถือได้
ระบบวิเคราะห์ออนไลน์ Type 8905 ของ Bürkert ช่วยให้คุณตรวจสอบพารามิเตอร์น้ำที่สำคัญทั้งหมดได้อย่างต่อเนื่องและแม่นยำโดยไม่ต้องบำรุงรักษามากเกินไปในระบบเดียวที่กะทัดรัด โดยกระจายไปทั่วกระบวนการของคุณ ทำให้สามารถเชื่อมต่อเซ็นเซอร์ได้สูงสุด 30 ตัวกับอุปกรณ์เพียงเครื่องเดียว

ระบบวิเคราะห์น้ำออนไลน์ Type 8905 เป็นระบบโมดูลาร์ขนาดกะทัดรัดสำหรับตรวจสอบพารามิเตอร์น้ำที่สำคัญทั้งหมดบนแพลตฟอร์มเดียว เป็นระบบวัดแบบหลายช่องทางสำหรับเซนเซอร์คิวบ์ของ Bürkert ซึ่งใช้ตัวเครื่องขนาดกะทัดรัด นอกจากนี้ยังมีรุ่นที่ไม่มีตัวเครื่องให้เลือกใช้ (ระบบภาคสนาม) อีกด้วย ระบบโมดูลาร์ Type 8905 สามารถวัดพารามิเตอร์น้ำได้ดังต่อไปนี้: ค่า pH คลอรีน คลอรีนไดออกไซด์ ค่าการนำไฟฟ้า ศักย์รีดอกซ์ (ORP) ความขุ่น อุณหภูมิ และเหล็ก เซนเซอร์เหล่านี้สามารถใช้ในระบบขนาดกะทัดรัดหรือเป็นหน่วยภาคสนาม นอกจากนี้ ยังสามารถเปิดใช้งานการกำหนดค่าแบบไร้ขอบเขตในตู้ควบคุม และตามความต้องการของลูกค้าได้ด้วยความช่วยเหลือของระบบวิเคราะห์น้ำออนไลน์ Type 8906 ระบบวิเคราะห์น้ำขนาดกะทัดรัดช่วยให้ติดตั้งและเริ่มต้นใช้งาน ตลอดจนใช้งานและบำรุงรักษาได้ง่าย สามารถถอดเซนเซอร์คิวบ์แต่ละอันออกเพื่อบำรุงรักษาโดยไม่ต้องใช้เครื่องมือได้ด้วยระบบแบ็คเพลนของ Bürkert ในขณะที่เซนเซอร์ที่เหลือยังคงวัดต่อไป ซึ่งทำให้ระบบมีความพร้อมใช้งานสูงสุดและเป็นมิตรกับผู้ใช้สูงสุด ระบบนี้ทำงานโดยใช้หน้าจอสัมผัสขนาด 7 นิ้วหรือ Bürkert Communicator นอกจากการแสดงและจัดเก็บพารามิเตอร์การวิเคราะห์แล้ว ยังมีฟังก์ชันอื่นๆ อีกด้วย เช่น การเขียนโปรแกรมอัลกอริธึมการควบคุมและการปรับค่าอย่างง่ายโดยใช้ฟังก์ชันซอฟต์แวร์ f(x) การแทรกแซงในกระบวนการผ่านอินพุตและเอาต์พุตแบบแอนะล็อกและดิจิทัล การดำเนินการปรับเทียบเซ็นเซอร์ พูดคุยกับผู้เชี่ยวชาญของเราและออกแบบระบบวิเคราะห์น้ำออนไลน์ Type 8905 ของคุณร่วมกัน
☑️ สำหรับวิเคราะห์คุณภาพน้ำที่ไม่มีอนุภาค น้ำเพื่อใช้ในกระบวนการอุตสาหกรรม และน้ำดื่ม
☑️ สามารถวัดค่า pH/ORP คลอรีน คลอรีนไดออกไซด์ ความนำไฟฟ้า ความขุ่น อุณหภูมิ และเหล็ก
☑️ ระบบโมดูลาร์ขนาดกะทัดรัดสำหรับการตรวจสอบพารามิเตอร์ต่างๆ ของน้ำที่สำคัญทั้งหมดบนแพลตฟอร์มเดียว
อ้างอิง BURKERT, FLUTECH, FACTOCOMPONENTS
กรุณาติดต่อเราสำหรับข้อมูลเพิ่มเติม:
โทร: 02-384-6060 | ไลน์: @flutech.co.th | อีเมล: sales@flutech.co.th | เฟสบุ๊ค: @flutech.co.th
24 มี.ค. 2568